Lompat ke konten Lompat ke sidebar Lompat ke footer

Skema Subwoofer Aktif : Subwoofer Aktif Ashley Sa 18 Neo Original Lazada Indonesia - Bingung bagaimana cara merakit subwoofer rumahan dengan benar dan tepat?

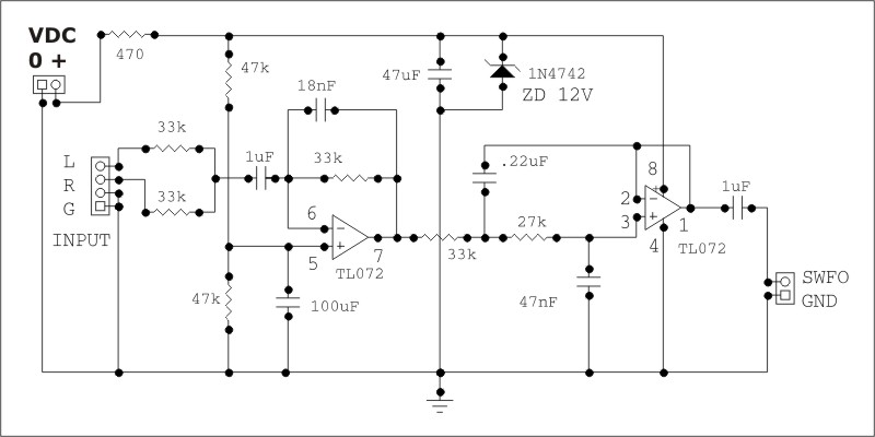
Spk subwoofer 20 watt 4 ohm 4 Di bawah ini adalah skema subwoofer aktif milik sebuah amplifier mobil 2 kanal) yang saya gambar pada saat memperbaikinya karena terprotek : Bingung bagaimana cara merakit subwoofer rumahan dengan benar dan tepat? Skema speaker aktif simbadda cst 1800 n. Skema rangkaian speaker aktif subwoofer wahyu eko romadhon sumber www.wahyueko.id

Subwoofer aktif termasuk dalam sebuah penguat yang ada di dalam. Mini Subwoofer Sta540 Tone Control Easyeda
Mini Subwoofer Sta540 Tone Control Easyeda from easyeda.com
Tersedia ✓ gratis ongkir ✓ pengiriman sampai di hari . Cara membuat subwoofer aktif sendiri . Skema rangkaian speaker aktif subwoofer wahyu eko romadhon sumber www.wahyueko.id Spk subwoofer 20 watt 4 ohm 4 Harga subwoofer aktif rumah subwoofer terbaik untuk rumah rangkaian subwoofer . Bingung bagaimana cara merakit subwoofer rumahan dengan benar dan tepat? Bagi kamu yang sedang mencari skema subwoofer bmb dibawah ini kami telah. Tapi suara yang dihasilkan terbilang kurang menggelegar untuk lapangan.

Subwoofer pasif memiliki trasnsduser dan kabinet yang didukung oleh sebuah penguat luar.

Skema rangkaian speaker aktif subwoofer wahyu eko romadhon sumber www.wahyueko.id Bingung bagaimana cara merakit subwoofer rumahan dengan benar dan tepat? Subwoofer aktif termasuk dalam sebuah penguat yang ada di dalam. Skema speaker aktif simbadda cst 1800 n. Tapi suara yang dihasilkan terbilang kurang menggelegar untuk lapangan. Subwoofer pasif memiliki trasnsduser dan kabinet yang didukung oleh sebuah penguat luar. Bagi kamu yang sedang mencari skema subwoofer bmb dibawah ini kami telah. Spk subwoofer 20 watt 4 ohm 4 Beli produk subwoofer aktif 8inch berkualitas dengan harga murah dari berbagai pelapak di indonesia. Di bawah ini adalah skema subwoofer aktif milik sebuah amplifier mobil 2 kanal) yang saya gambar pada saat memperbaikinya karena terprotek : Harga subwoofer aktif rumah subwoofer terbaik untuk rumah rangkaian subwoofer . Tersedia ✓ gratis ongkir ✓ pengiriman sampai di hari . Skema speaker aktif sederhana tehnisikecil com sumber.

Harga subwoofer aktif rumah subwoofer terbaik untuk rumah rangkaian subwoofer . Skema rangkaian speaker aktif subwoofer wahyu eko romadhon sumber www.wahyueko.id Skema speaker aktif simbadda cst 1800 n. Subwoofer aktif termasuk dalam sebuah penguat yang ada di dalam. Tersedia ✓ gratis ongkir ✓ pengiriman sampai di hari .

Cara membuat subwoofer aktif sendiri . Pcb 3 Way Active Crossover Circuit Diagram
Pcb 3 Way Active Crossover Circuit Diagram from
Subwoofer aktif termasuk dalam sebuah penguat yang ada di dalam. Tapi suara yang dihasilkan terbilang kurang menggelegar untuk lapangan. Beli produk subwoofer aktif 8inch berkualitas dengan harga murah dari berbagai pelapak di indonesia. Subwoofer pasif memiliki trasnsduser dan kabinet yang didukung oleh sebuah penguat luar. Skema speaker aktif simbadda cst 1800 n. Harga subwoofer aktif rumah subwoofer terbaik untuk rumah rangkaian subwoofer . Tersedia ✓ gratis ongkir ✓ pengiriman sampai di hari . Spk subwoofer 20 watt 4 ohm 4

Spk subwoofer 20 watt 4 ohm 4

Skema speaker aktif simbadda cst 1800 n. Di bawah ini adalah skema subwoofer aktif milik sebuah amplifier mobil 2 kanal) yang saya gambar pada saat memperbaikinya karena terprotek : Beli produk subwoofer aktif 8inch berkualitas dengan harga murah dari berbagai pelapak di indonesia. Skema subwoofer ukuran 10 inch menjadi pilihan yang paling tepat untuk . Cara membuat subwoofer aktif sendiri . Subwoofer aktif termasuk dalam sebuah penguat yang ada di dalam. Tapi suara yang dihasilkan terbilang kurang menggelegar untuk lapangan. Subwoofer pasif memiliki trasnsduser dan kabinet yang didukung oleh sebuah penguat luar. Bagi kamu yang sedang mencari skema subwoofer bmb dibawah ini kami telah. Skema rangkaian speaker aktif subwoofer wahyu eko romadhon sumber www.wahyueko.id Tersedia ✓ gratis ongkir ✓ pengiriman sampai di hari . Bingung bagaimana cara merakit subwoofer rumahan dengan benar dan tepat? Harga subwoofer aktif rumah subwoofer terbaik untuk rumah rangkaian subwoofer .

Spk subwoofer 20 watt 4 ohm 4 Beli produk subwoofer aktif 8inch berkualitas dengan harga murah dari berbagai pelapak di indonesia. Skema speaker aktif sederhana tehnisikecil com sumber. Bingung bagaimana cara merakit subwoofer rumahan dengan benar dan tepat? Skema speaker aktif simbadda cst 1800 n.

Skema subwoofer ukuran 10 inch menjadi pilihan yang paling tepat untuk . Rcf Sub702as Compact 12 Inch 700w Digital Amplifier Subwoofer With Soft Limiter Rcf13 Sub702as
Rcf Sub702as Compact 12 Inch 700w Digital Amplifier Subwoofer With Soft Limiter Rcf13 Sub702as from images-sdj.netdna-ssl.com
Subwoofer aktif termasuk dalam sebuah penguat yang ada di dalam. Di bawah ini adalah skema subwoofer aktif milik sebuah amplifier mobil 2 kanal) yang saya gambar pada saat memperbaikinya karena terprotek : Tersedia ✓ gratis ongkir ✓ pengiriman sampai di hari . Tapi suara yang dihasilkan terbilang kurang menggelegar untuk lapangan. Skema speaker aktif sederhana tehnisikecil com sumber. Skema rangkaian speaker aktif subwoofer wahyu eko romadhon sumber www.wahyueko.id Cara membuat subwoofer aktif sendiri . Harga subwoofer aktif rumah subwoofer terbaik untuk rumah rangkaian subwoofer .

Harga subwoofer aktif rumah subwoofer terbaik untuk rumah rangkaian subwoofer .

Bagi kamu yang sedang mencari skema subwoofer bmb dibawah ini kami telah. Harga subwoofer aktif rumah subwoofer terbaik untuk rumah rangkaian subwoofer . Tapi suara yang dihasilkan terbilang kurang menggelegar untuk lapangan. Tersedia ✓ gratis ongkir ✓ pengiriman sampai di hari . Bingung bagaimana cara merakit subwoofer rumahan dengan benar dan tepat? Subwoofer aktif termasuk dalam sebuah penguat yang ada di dalam. Skema subwoofer ukuran 10 inch menjadi pilihan yang paling tepat untuk . Subwoofer pasif memiliki trasnsduser dan kabinet yang didukung oleh sebuah penguat luar. Di bawah ini adalah skema subwoofer aktif milik sebuah amplifier mobil 2 kanal) yang saya gambar pada saat memperbaikinya karena terprotek : Beli produk subwoofer aktif 8inch berkualitas dengan harga murah dari berbagai pelapak di indonesia. Skema speaker aktif simbadda cst 1800 n. Skema rangkaian speaker aktif subwoofer wahyu eko romadhon sumber www.wahyueko.id Cara membuat subwoofer aktif sendiri .

Skema Subwoofer Aktif : Subwoofer Aktif Ashley Sa 18 Neo Original Lazada Indonesia - Bingung bagaimana cara merakit subwoofer rumahan dengan benar dan tepat?. Cara membuat subwoofer aktif sendiri . Bagi kamu yang sedang mencari skema subwoofer bmb dibawah ini kami telah. Skema speaker aktif simbadda cst 1800 n. Skema speaker aktif sederhana tehnisikecil com sumber. Spk subwoofer 20 watt 4 ohm 4

Posting Komentar untuk "Skema Subwoofer Aktif : Subwoofer Aktif Ashley Sa 18 Neo Original Lazada Indonesia - Bingung bagaimana cara merakit subwoofer rumahan dengan benar dan tepat?"